Home Bauteile Bilder Kontakt Impressum
 

Gitarren Röhrenverstärker

Regent 60

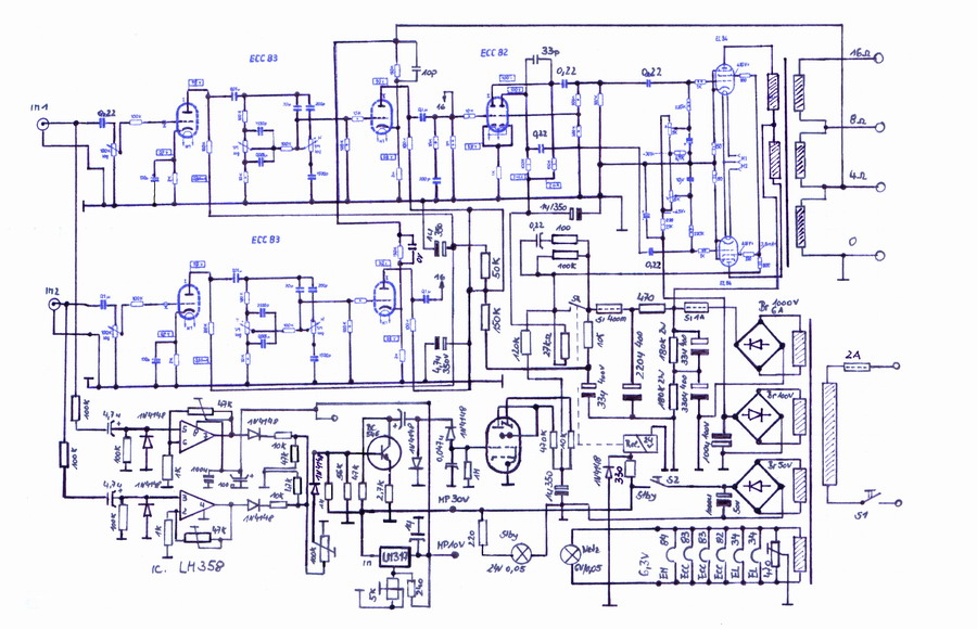
Dieser Röhrenverstärker mit Koffer war ursprünglich ein "Curton" Nachbau eines Bastlers und wurde als Garagenfund zu mir gebracht. Der Zustand des Innenlebens war sehr desolat! Wahrscheinlich war das Gerät viele Jahre feucht gelagert und hatte etliche rostige Bauteile wie die gesamten Potis und andere nicht mehr zu gebrauchende Bauteile und Baugruppen. Die ursprüngliche Röhrenbestückung bestand aus der ECC81 sowie zwei EL34. Eine vorläufige Reparatur konnte das Gerät nur kurzzeitig zum Leben erwecken, aber sinnlos wegen des schlechten Zustandes der gesamten Elektronik wie defekte Röhrensockel (Überschläge) sowie auch der Transistorierten Vorstufe wie die Klangregelung. Im übrigen war kein Schaltplan vorhanden und wegen des Rauschens nicht zu gebrauchen! Somit habe ich mich entschlossen alles auseinander zu reißen und komplett mit einer Vollröhren-Schaltung auszustatten. Die ursprüngliche Anodenspannung lief mit 850 Volt, dafür mussten auf Grund der Überschläge an den Röhrensockel (Oktal) zwei EL34 ihr Leben lassen. Die neue Schaltung ist nun auf 450 Volt reduziert, welche die Röhren schonen und somit länger haltbar machen. Der neue Aufbau wie folgt mit 2 mal ECC83 für zwei unabhängige Eingänge mit zwei unabhängigen Klangregelungen. Für die Ansteuerung der zwei EL34 ist die ECC82 als Phasenumkehrstufe zuständig. Eine EM84 dient noch zur Aussteuerung und Signalanzeige unabhängig der Lautstärkeregelung. Ein LM358 sorgt für eine Pegelanhebung und eine hochohmige Entkopplung der Inputs und verhindert ein Übersprechen der beiden Eingänge. Der Netztrafo sowie der Ausgangs-Übertrager mit M 102 Kernen waren das einzige was ich verwerten konnte, gutes Material was die Kosten für einen Neuaufbau stark reduzierte. Der gesamte Aufbau fand wieder auf Rasterleiterplatten Platz, und war somit sehr hilfreich beim Bestücken mit den notwendigen Bauteilen. Hochwertige Röhrensockel aus Porzellan werden zukünftig einen Überschlag verhindern, auch alle passiven Bauteile wie Koppelkondensatoren und Widerstände verfügen über eine gute Spannungsfestigkeit 630 Volt und stammen vorwiegend noch aus "RFT" Zeiten. Der Nachbau der Röhrenschaltung ist klassisch, so wie die Röhrenverstärker früher waren und leicht aufzubauen. Technische Daten: 2x Eingang 100 KOhm /100 mV - 775 mV Vollaussteuerung 50 Watt/Sinus an 4-8-16 Ohm. Im NF Signalkreis sind nur Röhren zuständig und jegliche Anwendung von Transistoren tabu, das hört man! Somit wieder ein Röhrenprojekt erfolgreich realisiert. Bauzeit 14 Tage, Kosten minimiert auf geschätzte 200 €.






Frontansicht

Ansicht Leiterplatte
Innenansicht




Innenansicht

Gitarren Röhrenverstärker
Schaltbild